Login
用户登录
登录
忘记密码?
立即注册
欢迎深圳市深圳市威徕科技有限公司
登录
注册
退出
订单查询
购物车
国内优秀工控供给品牌
搜索
可选顺丰
价格优惠
质量保证
所有分类
电子PLC
开关电源
继电器
接线端子
温控器
控制器
启动器
变频器
通用型变频器
矢量控制变频器
驱动器
稳压器
气缸
调压阀
气动阀
过滤器
其他
空气压缩机
研磨配件
数控磨床配件
砂盘耗材
游离研磨
实验室设备
探头
振荡器
测试仪
网站首页
电子PLC
变频器
气缸
研磨配件
实验室设备
询价报价
首页
>
电子PLC
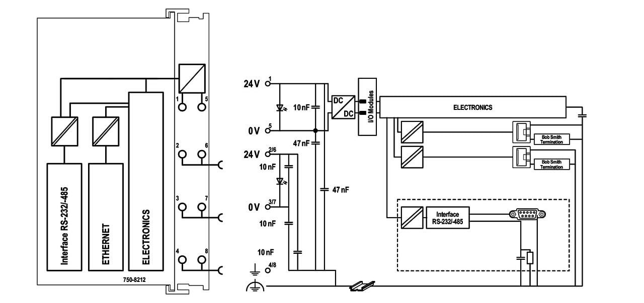
> 德国万可WAGOPFC控制器型号 750-8212
收藏
德国万可WAGOPFC控制器型号 750-8212
德国万可WAGOPFC控制器型号 750-8212
4800
元
总计:
4800
元
请选择规格
数量:
库存量:
1
件
已售:
1084
件
立即购买
加入购物车
推荐商品
商品介绍
商品参数
客户评价
德国万可WAGOPFC控制器型号 750-8212
AI智能助手
转人工
×